- High Voltage Vacuum Circuit Breaker
- VS1 Medium-Voltage Indoor Vacuum Circuit Breaker
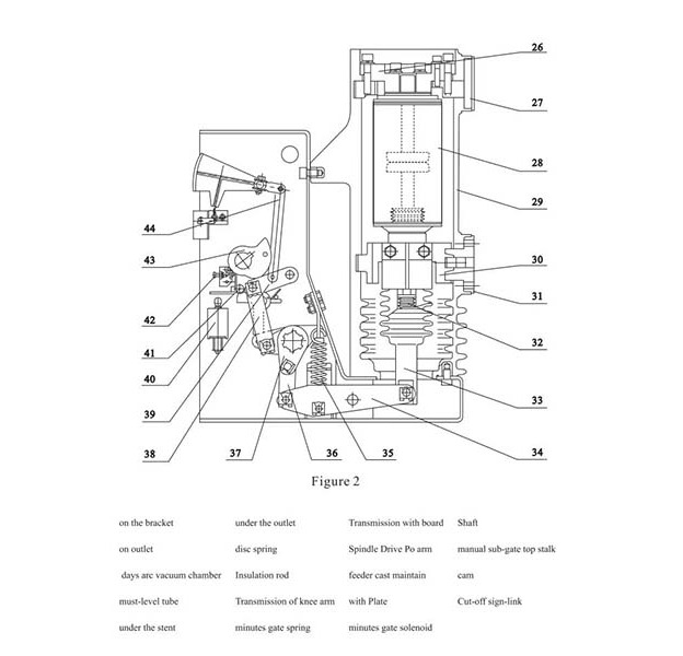
- VCB Composition
Under normal conditions, main contacts remain closed to allow continuous current flow. Upon detecting overcurrent or a short-circuit, the spring mechanism quickly separates the contacts, producing an arc contained within the vacuum interrupter. The arc is cooled and extinguished, safely isolating the faulty circuit and preventing damage to downstream equipment. This ensures high operational reliability and minimal maintenance needs.
![]() |
![]() |





- Withstand Voltage Test
- Product Debugging
- Product Debugging
- Product Debugging
- Product Debugging
- Withstand Voltage Test
- Mechanical Characteristic Testing
- Product Debugging
- Test the opening and closing speed, time, synchron
- High Voltage Vacuum Circuit Breaker
- VS1 Medium-Voltage Indoor Vacuum Circuit Breaker
To ensure transportation safety, our electrical products are exported in reinforced wooden crates. The crates undergo heat treatment and bear the ISPM-15 mark, enabling swift customs clearance. The raised base design facilitates forklift operation, while internal shock-absorbing fastening ensures the products arrive intact. All exterior crates are clearly labeled and comply with international logistics standards.
-
Box-typesubstation ACB VCB MCCB
-
Box-typesubstation ACB VCB MCCB
-
Box-typesubstation ACB VCB MCCB
-
Power transmission successful
-
Photovoltaic Grid-Connected Cabinet Utilising ACB and MCCB
-
Power transmission successful
-
Box-typesubstation ACB VCB MCCB
-
Power transmission successful
-
Photovoltaic Grid-Connected Cabinet Utilising ACB and MCCB
-
Photovoltaic Grid-Connected Cabinet Utilising ACB and MCCB
| No | Item | Units | Count value |
| 1 | The rated voltage | - | 12 24 35 |
| 2 | The rated voltage (short-term frequency tolerance 1min) | kV | 42 |
| 3 | The rated voltage tolerance lightning shocks peak | - | 75 |
| 4 | Rated frequency | Hz | 50 |
| 5 | Rated current | A | 630、1250 |
| 630、1250、1600、2000、2500、3150 | |||
| 1250、1600、2000、2500、3150、4000 | |||
| 6 | Rated short open circuit current | kA | 20/25、31.5、40 |
| 7 | The rated voltage short tolerance | kA | 20/25、31.5、40 |
| 8 | Rated short duration | s | 4 |
| 9 | Rated current peak tolerance | kA | 50/63、80、100 |
| 10 | Rated short-circuit current close | kA | 50/63、80、100 |
| 11 | The secondary circuit frequency voltage tolerance 1min) | V | 2000 |
| 12 | Rated singleback capacitor set open circuit current | A | 630/400 (40kA 800/400) |
| 13 | Rated capacitor set close currents | kA | 12.5 (frequency no greater than 1000Hz) |
| 14 | Break-brake time (rated voltage) | ms | ≤50 |
| 15 | Feeder time (rated voltage) | ms | ≤100 |
| 16 | Mechanical life | - | 20000 |
| 17 | Rated current open circuit times (life) | Switching | 20000 |
| 18 | Rated short-circuit current open circuit | - | 50(40kA≤30) |
| 19 | Dynamic and static contact allow wear thickness | mm | 3 |
| 20 | The rated operating voltage feeder | - | - |
| 21 | The rated voltage break-brake operations | V | AC110/220 DC110/220 |
| 22 | Storage motor rated voltage | - | - |
| 23 | Storage motor power rating | W | 70 |
| 24 | Storage time | s | ≤10 |
| 25 | Contact opening distance | mm | 11 ± 1 |
| 26 | Super-trip | - | 3.5 ± 0.5 |
| 27 | Closing contact bounce time | ms | ≤240(A≤3) |
| 28 | Three-phase points, closing at different stages of sexual | - | ≤2 |
| 29 | Average gate speed (contact separation-6mm) | m/s | 0.9–1.2 |
| 30 | Average closing speed (6mm-contact closure) | m/s | 0.5–0.8 |
| 31 | Leading electric circuit resistance | μΩ |
≤50(630a)、≤45(1250A) ≤35(1600–2000A)、≤250(2400) |
| 32 | Contactor feeder contact pressure | N |
2000±200(2000A)、2400±200(25kA) 3100±200(31.5kA)、4250±250(40kA) |
| 33 | The rated operating sequence | - |
Points - 0.3s - and points 180s - and - |

English
Français
Español
عربى
















































